Crystal oscillators are key components in electronic devices, providing stable clock signals for various electronic products. Understanding the main parameters of crystal oscillators can better understand the performance of crystal oscillators and how to choose appropriate crystal oscillators based on the parameters.
Crystal oscillators are divided into:
1. Passive crystal oscillators: Crystal resonators need to match external resonant circuits to output signals and cannot oscillate by themselves.
2. Active crystal oscillators: Clock oscillators have better output signals than passive crystal oscillators, higher stability, are not affected by external circuits, and have independent oscillator chips inside.
一、Passive crystal oscillator (Crystal) main parameters
|
Passive crystal oscillator main parameters |
Definition |
|
标称频率(Nominal Frequency) |
The reference resonant frequency of a crystal under specific load capacitance and temperature conditions (usually 25°C). |
|
负载电容(Load Capacitance, CL) |
When the crystal oscillator is working, the total equivalent capacitance connected to its two ends is |
|
谐振电阻(Equivalent Series Resistance) |
The equivalent impedance of the crystal in series resonance |
|
频差(Frequency to tolerance at 25℃) |
Initial frequency error at nominal load capacitance and normal temperature (25°C) when shipped from the factory. |
|
老化率(Aging) |
The accumulated frequency deviation caused by material stress release, pollutant adsorption, etc. after long-term use of the crystal |
|
温度稳定性(Stability over temperature) |
Crystal frequency sensitivity to temperature changes |
|
储存温度(Storage Temperature Range ) |
Storage temperature of passive crystal oscillator |
|
激励功率(Level of Drive ) |
A specified parameter for the current applied to a quartz crystal, representing the power required to drive the crystal (oscillator circuit) |
|
振荡模式(Mode of vibration) |
Fundamental frequency/overtone |
|
工作温度 (Operating Temperature Range) |
Operating temperature of passive crystal oscillator |
二、Active crystal oscillator (Crystal) main parameters
|
Active crystal oscillator main parameters |
Definition |
|
标称频率 (Nominal Frequency) |
The actual clock frequency output by the crystal oscillator, which may include the value after frequency division/multiplication |
|
频率稳定度(Frequency Stability) |
The maximum frequency deviation in the full temperature range, including the combined effects of initial error, temperature drift, voltage fluctuation, etc. |
|
电源电压 (Supply Voltage) |
The supply voltage range required for the crystal oscillator to work properly |
|
工作电流 (Current Consumption) |
The total current consumed by the oscillator |
|
相位噪声(Phase Noise) |
The short-term stability of the signal in the frequency domain reflects the clock jitter characteristics. |
|
起振时间(Start up time) |
The time it takes for the oscillator output to stabilize when the voltage starts to supply |
|
输出波形(Output Type) |
CMOS, Clipped Sine Wave, LVDS, LVPECL, CML, HCSL |
|
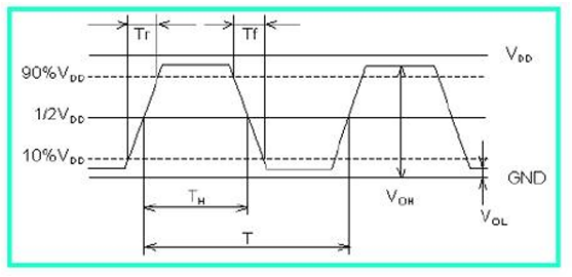
上升时间(Rise Time) |
The time it takes for the output voltage to change from Logic "0" to Logic "1" (10%->90%) |
|
下降时间(Fall Time) |
The time it takes for the output voltage to change from Logic "1" to Logic "0" (90%->10%) |

(Active crystal oscillator output waveform)