In the field of electronic circuits, 32.768Khz (32768Hz) has a special status and important role.
1. Reasons for using 32.768Khz
The 32.768Khz frequency is widely used in circuit design mainly because of its special mathematical properties. After simple frequency division processing, this frequency value can easily obtain various commonly used time bases. For example, dividing it by two 15 times through a suitable circuit can accurately generate a 1Hz signal, which is very critical for the implementation of timing functions in seconds. Moreover, the crystal oscillator of this frequency has high stability and can maintain a relatively stable output under different environmental conditions, thereby providing an accurate and reliable clock signal for the circuit to meet the time accuracy requirements such as real-time clock (RTC). Higher application scenarios.

2. Selection of 32.768Khz external load
The external load has a significant impact on the performance of the 32.768Khz crystal oscillator. Choosing the appropriate load capacitor is critical. The load capacitance value needs to be determined according to the specifications of the crystal and the specific requirements of the circuit. If the load capacitance is not selected properly, it may cause the frequency of the crystal oscillator to shift, thereby affecting the timing accuracy of the entire circuit. Generally speaking, common load capacitance values are 7pF, 9PF, and 12.5pF. When designing the circuit, you need to consider the internal capacitance of the chip pin connected to it, and select the appropriate external load capacitance through calculation to ensure the operation of the crystal oscillator. near its nominal frequency.
The following are the external capacitor values corresponding to common loads:
The actual situation requires a matching test to recommend the best external capacitor value.
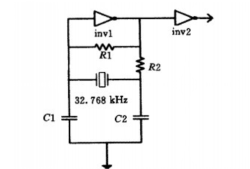
3. 32.768Khz external circuit
As shown in the figure is the overall circuit of the crystal oscillator. R1 provides a bias for the inverter invl, so that the MOS tube in it works in the saturation region to obtain a larger gain; C1, C2 and stray capacitance together constitute the capacitive load of the crystal, and together with the inverter invl they can equal The effect is a negative resistance, which provides the crystal with the energy required for its oscillation; R2 is used to reduce the driving energy of the crystal to prevent the crystal from vibrating or abnormally; the inverter inv2 shapes the output waveform of invl and drives the load.

4. The relationship between 32.768Khz and RTC
The real-time clock (RTC) is the core module of time information management in many electronic devices. Its accurate operation is highly dependent on a stable and reliable clock source, and the signal provided by the 32.768Khz crystal oscillator plays a pivotal role in it.
In the working principle of RTC, time measurement is achieved through a series of complex and orderly counting processes. The signal of 32.768Khz is the cornerstone of this counting process, and its importance is self-evident. Since RTC requires time units accurate to the second level or even finer-grained, the advantages of the 32.768Khz frequency are highlighted. This specific frequency undergoes specific circuit design and internal logic processing to easily and accurately convert it into a second signal.
Specifically, by performing a series of precise frequency division operations on the 32.768Khz signal, a stable 1Hz signal can be generated inside the RTC, and this 1Hz signal is the key to achieving second timing. Each pulse of the 1Hz signal represents one second of time. This frequency division timing mechanism based on 32.768Khz forms the basis of RTC's timing of seconds.
From a broader time dimension, on the basis of realizing second timing, RTC uses internal counters and registers, using the 1Hz signal derived from the 32.768Khz signal as the beat, to further accumulate time units such as minutes, hours, and days. and records. This precise timing function is essential for various electronic devices that need to record time.
In smartphones, functions such as alarm clocks and schedule reminders set by users rely on the accurate timing of the RTC. Once the 32.768Khz signal deviates, it may cause the alarm clock to sound early or late, and the schedule to be disrupted.
On the computer motherboard, the operating system's time synchronization, file creation and modification time recording and other operations are also closely related to RTC. The inaccurate 32.768Khz signal may cause system time errors, thereby affecting file management and some time-sensitive applications. normal operation of the application.
For wearable devices such as smart watches, their compact size requires higher time accuracy. The quality of the 32.768Khz signal directly determines the accuracy of the time displayed by the watch and affects the user's experience of using the device.
In addition, the stability of the 32.768Khz signal is crucial for the accuracy of RTC during long-term operation. Under different environmental conditions, such as temperature changes, electromagnetic interference and other factors, if the 32.768Khz crystal oscillator can maintain a stable output, the RTC can continue to accurately time. However, if the frequency of the 32.768Khz signal deviates even slightly due to external factors, after a long period of accumulation, it will cause obvious errors in RTC timing. Therefore, when designing a circuit containing RTC, engineers need to take a series of measures to ensure that the 32.768Khz crystal oscillator works in the best condition to ensure the high accuracy and reliability of RTC timing.
5. YXC recommends timing solutions
· 32.768Khz resonator

In the timing system, the 32.768Khz crystal oscillator is usually used to provide a stable and accurate clock signal for the RTC. Together with the RTC, it ensures the accuracy and reliability of time recording in electronic equipment. Currently, the mainstream uses are 32.768Khz crystal oscillators with package sizes of 3.2*1.5mm and 2.0*1.2mm. YXC also provides a small 1.6*1.0mm 32.768Khz crystal oscillator to meet the needs of miniaturization or integrated timing solutions.
6、YXC all-in-one solution (RTC+32.768Khz)
To meet timing needs, YXC provides an all-in-one timing solution (RTC+32.768Khz). We recommend the RTC product YSN8563. This RTC package is SOP-8, the communication interface is I2C Bus, and it meets the operating voltage of 1.2~5.5V. At the same time, 32.768KhzHz products matching YSN8563 are provided (the above-mentioned YST310S / YSX2012SK, etc.). The integrated solution simplifies the development and debugging process, while ensuring the overall reliability of the product and enabling more precise timing functions.