Epson TCXO Oscillator
PN: X1G005441030416 X1G005441030616
Applications: GPS,RF Wireless communication devices(LTE, WiMAX, Wi-Fi, W-LAN, IoT others)
| Item | Symbol | Specifications | Conditions / Remarks | |
| VC-TCXO | TCXO | |||
| Output frequency range |
f0 | 10 MHz to 55MHz | Please contact us except for standard frequency | |
| 19.2MHz , 26MHz , 38.4MHz | Standard frequency | |||
| Supply voltage | VCC | 1.8V ±0.1V / 2.8V ±5% / 3.0V ±5% / 3.3V ±5% | Supply voltage range:1.7V to 3.63V | |
| Storage temperature | T_stg | -40°C to +90°C | Storage as single product. | |
| Operating temperature | T_use | G: -40°C to +85°C | ||
| Frequency tolerance | f_tol | ±1.5 ×10-6 Max. | After reflow,+25°C | |
| Frequency / temperature characteristics |
f0-TC | C: ±0.5 × 10-6 Max. / G: -40°C to +85°C F: ±2.0 × 10-6 Max. / G: -40°C to +85°C |
Standard stability version | |
| Frequency / load coefficient |
f0-Load | ±0.1 × 10-6 Max. | 10kΩ // 10pF ±10% | |
| Frequency / voltage coefficient |
f0-VCC | ±0.1 × 10-6 Max. | VCC ± 5% | |
| Frequency aging | f_age | ±0.5 × 10-6 Max. | +25°C,First year, 10 MHz 12 MHz ≦ f0 ≦ 20 MHz 24 MHz ≦ f0 ≦ 40 MHz |
|
| ±1.5 × 10-6 Max. | +25°C,First year, 10 MHz < f0 < 12 MHz 20 MHz < f0 < 24 MHz 40 MHz < f0 ≦ 55 MHz |
|||
| Current consumption |
ICC | 1.5 mA Max. | 10 MHz ≦ f0 ≦ 26 MHz | |
| 1.8 mA Max. | 26 MHz < f0 ≦ 40 MHz | |||
| 2.0 mA Max. | 40 MHz < f0 ≦ 50 MHz | |||
| 2.1 mA Max. | 50 MHz < f0 ≦ 55 MHz | |||
| Input resistance | Rin | 500 kΩ Min. | - | VC - GND(DC) |
| Frequency control range | f_cont | ±8.0 × 10-6 to ±12 × 10-6 | - | B: VC =0.9V ±0.6V (VCC=1.8V) C: VC =1.4V ±1.0V (VCC=2.8V) D: VC =1.5V ±1.0V (VCC=3.0V) E: VC =1.65V ±1.0V (VCC=3.3V) |
| Frequency change polarity | - | Positive polarity | - | |
| Symmetry | SYM | 45% to 55% | GND level(DC cut) | |
| Output voltage | VPP | 0.8V Min. | peak to peak | |
| Start-up time | t_str | 1.0 ms Max. | t=0 st 90% Vcc | |
| Output load condition | Load_R | 10kΩ | DC cut capacitor = 0.01µF | |

(Unit: mm)
Please keep "N.C." pin OPEN condition or GND connection.
"N.C." pin doesn’t work as a ground pin.
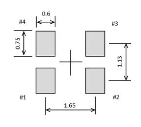
Footprint (Recommended)

(Unit: mm)
To maintain stable operation, provide a 0.01uF to 0.1uF by-pass capacitor at a location as near as possible to the power source terminal of the crystal product (between Vcc - GND).
Voltage : 1.7V~3.63V
Frequency : 10MHz-55MHz
Dimension : 2.0 x 1.6 mm
Operating Temp :
Frequency Tolerance : ±0.5ppm ±2ppm
Output : -